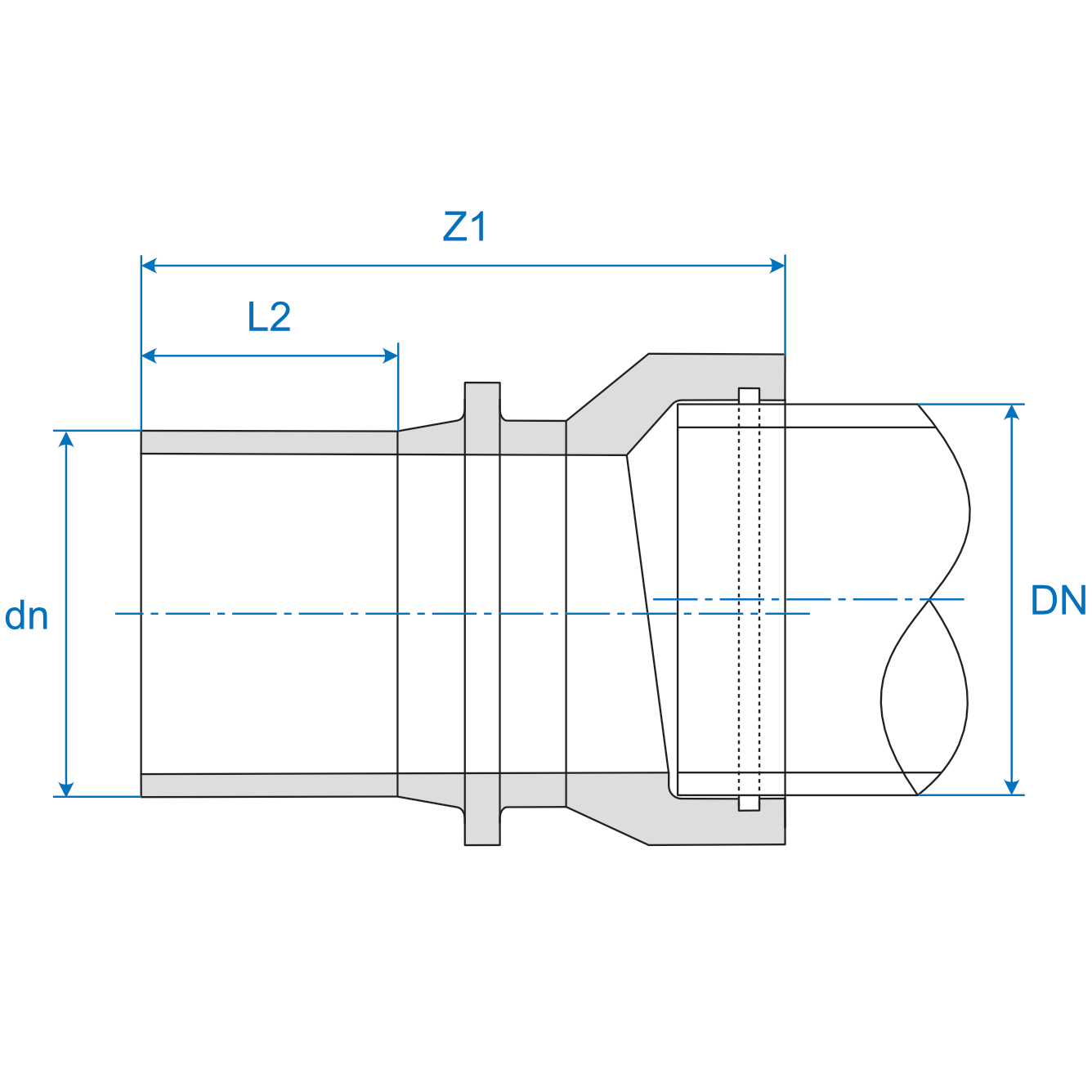
PE Spigot to PVC Pipe
| non-Waterstop | with Waterstop | PVC Pipe Nb |
Pipe OD |
Fitting rating SDR |
Type | Long Spigot Length L2 |
LS Length Z1 |
Availability in Hong Kong |
| P531E.064.110110 | P531E.964.110110 | 100 | 110 | 17 | Eccentric | 150 | 369 | 4-6 weeks |
| P531E.063.225200 | P531E.963.225200 | 200 | 225 | 17 | Concentric | 150 | 366 | 4-6 weeks |
| P531E.063.280250 | P531E.963.280250 | 250 | 280 | 17 | Concentric | 250 | 472 | 4-6 weeks |
| P531E.063.355315 | P531E.963.355315 | 300 | 355 | 17 | Concentric | 300 | 545 | 4-6 weeks |
| P531E.063.400355 | P531E.963.400355 | 350 | 400 | 17 | Concentric | 300 | 548 | 4-6 weeks |
| P531E.064.450450 | P531E.964.450450 | 400 | 450 | 17 | Eccentric | 300 | 627 | 4-6 weeks |
| P531E.063.500450 | P531E.963.500450 | 450 | 500 | 17 | Concentric | 350 | 677 | 4-6 weeks |
| P531E.063.560500 | P531E.963.560500 | 500 | 560 | 17 | Concentric | 350 | 702 | 4-6 weeks |
| P531E.063.710630 | P531E.963.710630 | 600 | 710 | 17 | Concentric | 350 | 775 | 4-6 weeks |
| P531E.063.800710 | P531E.963.800710 | 700 | 800 | 17 | Concentric | 350 | 805 | 4-6 weeks |
| P531E.063.900800 | P531E.963.900800 | 800 | 900 | 17 | Concentric | 400 | 870 | 4-6 weeks |
| P531E.063.1000900 | P531E.963.1000900 | 900 | 1000 | 17 | Concentric | 400 | 905 | 4-6 weeks |
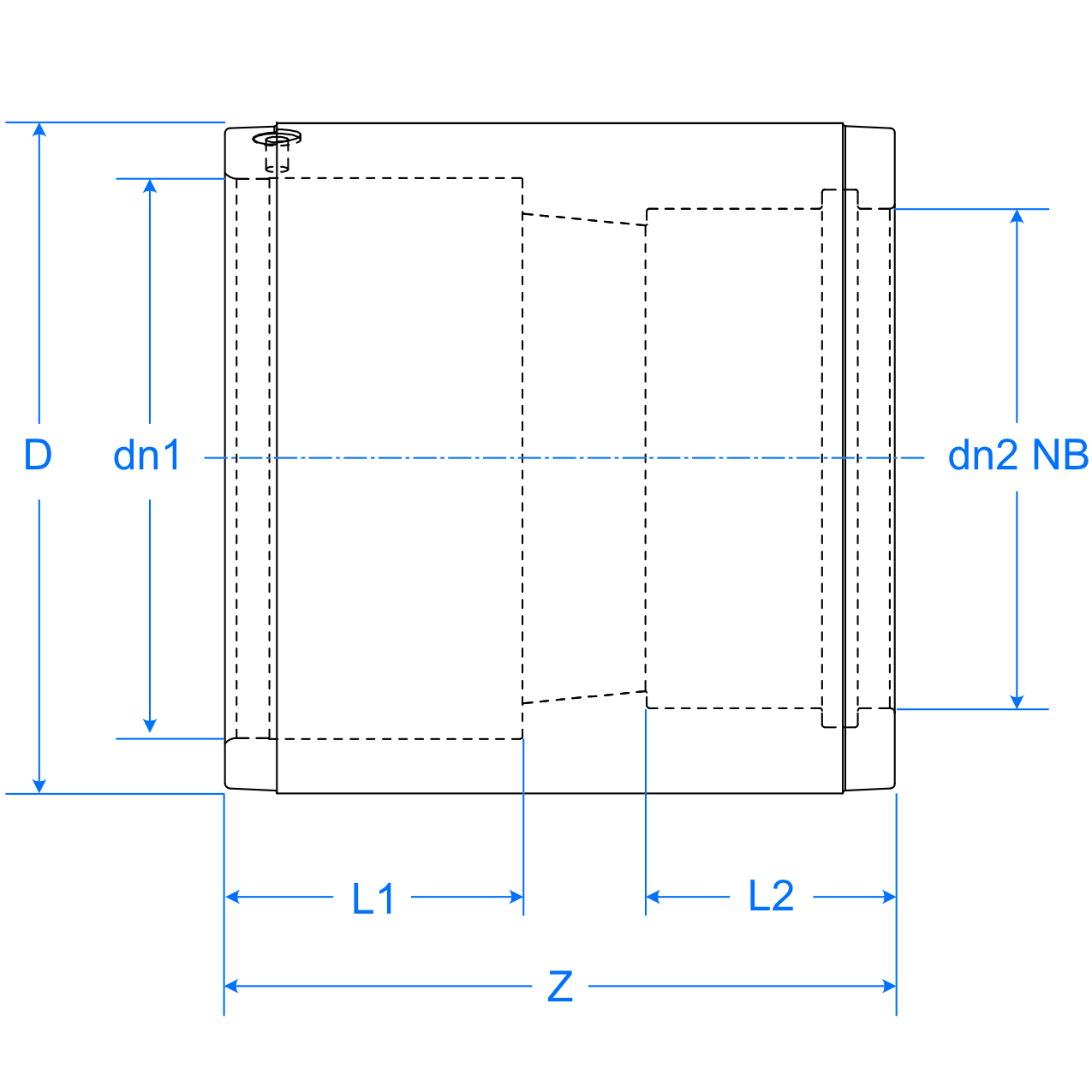
Transition Coupler / PE-PVC / AMKG
| Product Code | dn1 | dn2 | D | L1 | L2 | Z | Availability in Hong Kong |
| P331E.016.160150 | 160 | 150 | 193 | 92 | 80 | 180 | 8-12 weeks |
| P331E.016.225200 | 225 | 200 | 270 | 100 | 100 | 270 | 8-12 weeks |
Transition piece / SDR17 / PE-PVC / UKG
| Product Code | dn1 | dn2 NB | le | L1 | Z | Availability in Hong Kong |
| P531E.061.160150 | 160 | 150 | 98 | 70 | 194 | 8-12 weeks |
