Moulded Air Valve Tees
Black Moulded Air Valve Tees
The Mill-Pro PE100 Injection moulded spigot air valve Tees are typically used for attaching air valves via a flanged connection, cut into the pipeline or installed during construction. They are manufactured using Mill-Pro's own tooling under our continuous inspection. They feature long spigots for electrofusion or butt fusion joining and built-in reinforcement that exceeds the type testing requirements of BS EN 12201-3. Mill-Pro fittings feature hard moulded brand, batch numbers for compliance checking and 1D and 2D bar code stickers for complete product traceability. All Tee's are sealed in individual plastic bags for protection on site.
The transition from the Tee to the flange connecting the isolation/air valve assembly is made using a standard Coupler and Flange adaptor onto the Tee's spigot outlet.
NOTE: The pipe and spigot ends must be prepared in accordance with the general installation instructions using a spigot mechanical peeler, 90% Isopropyl alcohol wipes.
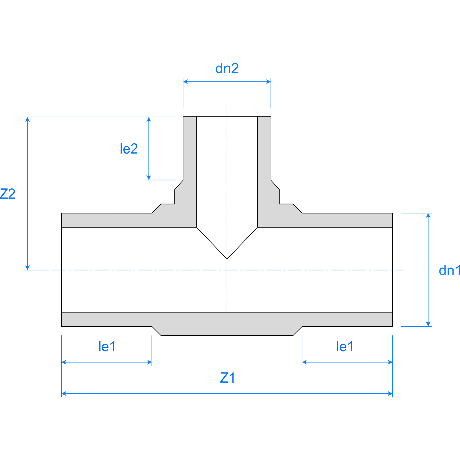
| SDR11 PN16 | SDR17 PN10 | dn1 | dn2 | le1 | le2 | Z1 | Z2 | Availability in Hong Kong |
| *Note: Spigot length is less than the minimum required in EN 12201-3. | ||||||||
| P5316.22.090063 | P5314.22.090063 | 90 | 63 | 79 | 63 | 239 | 121 | 4-6 Weeks |
| P5316.22.110063 | P5314.22.110063 | 110 | 63 | 82 | 63 | 250 | 134 | 4-6 Weeks |
| P5316.22.110090 | P5314.22.110090 | 110 | 90 | 82 | 79 | 280 | 150 | 4-6 Weeks |
| P5316.22.125063 | P5314.22.125063 | 125 | 63 | 87 | 70 | 260 | 145 | 4-6 Weeks |
| P5316.22.125090 | P5314.22.125090 | 125 | 90 | 87 | 80 | 299 | 165 | 4-6 Weeks |
| P5316.22.125110 | P5314.22.125110 | 125 | 110 | 87 | 88 | 319 | 166 | 4-6 Weeks |
| P5316.22.160063 | P5314.22.160063 | 160 | 63 | 98 | 66 | 290 | 161 | 4-6 Weeks |
| P5316.22.160090 | P5314.22.160090 | 160 | 90 | 98 | 80 | 320 | 176 | 4-6 Weeks |
| P5316.22.160110 | P5314.22.160110 | 160 | 110 | 98 | 83 | 240 | 180 | 4-6 Weeks |
| P5316.22.160125 | P5314.22.160125 | 160 | 125 | 100 | 93 | 357 | 192 | 4-6 Weeks |
| P5316.22.180090 | P5314.22.180090 | 180 | 90 | 107 | 79 | 337 | 180 | 4-6 Weeks |
| P5316.22.180110 | P5314.22.180110 | 180 | 110 | 110 | 105 | 370 | 213 | 4-6 Weeks |
| P5316.22.180125 | P5314.22.180125 | 180 | 125 | 105 | 87 | 365 | 191 | 4-6 Weeks |
| P5316.22.180160 | P5314.22.180160 | 180 | 160 | 105 | 98 | 400 | 202 | 4-6 Weeks |
| P5316.22.200063 | P5314.22.200063 | 200 | 63 | 112 | 63 | 305 | 175 | 4-6 Weeks |
| P5316.22.200090 | P5314.22.200090 | 200 | 90 | 117 | 80 | 358 | 191 | 4-6 Weeks |
| P5316.22.200160 | P5314.22.200160 | 200 | 160 | 112 | 98 | 423 | 206 | 4-6 Weeks |
| P5316.22.225090 | P5314.22.225090 | 225 | 90 | 143 | 104 | 413 | 248 | 4-6 Weeks |
| P5316.22.225110 | P5314.22.225110 | 225 | 110 | 128 | 100 | 413 | 235 | 4-6 Weeks |
| P5316.22.225160 | P5314.22.225160 | 225 | 160 | 110 | 120 | 410 | 252 | 4-6 Weeks |
| P5316.22.250090 | P5314.22.250090 | 250 | 90 | 135 | 96 | 400 | 250 | 4-6 Weeks |
| P5316.22.250110 | P5314.22.250110 | 250 | 110 | 129 | 82 | 398 | 215 | 4-6 Weeks |
| P5316.22.250125 | P5314.22.250125 | 250 | 125 | 130 | 87 | 415 | 242 | 4-6 Weeks |
| P5316.22.250160 | P5314.22.250160 | 250 | 160 | 130 | 110 | 454 | 250 | 4-6 Weeks |
| P5316.22.250180 | P5314.22.250180 | 250 | 180 | 130 | 105 | 470 | 260 | 4-6 Weeks |
| P5316.22.280090 | P5314.22.280090 | 280 | 90 | 140 | 79 | 410 | 235 | 4-6 Weeks |
| P5316.22.280110 | P5314.22.280110 | 280 | 110 | 140 | 82 | 430 | 238 | 4-6 Weeks |
| P5316.22.280160 | P5314.22.280160 | 280 | 160 | 140 | 98 | 480 | 254 | 4-6 Weeks |
| P5316.22.280200 | P5314.22.280200 | 280 | 200 | 140 | 112 | 520 | 268 | 4-6 Weeks |
| P5316.22.280225 | P5314.22.280225 | 280 | 225 | 139 | 120 | 533 | 284 | 4-6 Weeks |
| P5316.22.280250 | P5314.22.280250 | 280 | 250 | 140 | 129 | 570 | 285 | 4-6 Weeks |
| P5316.22.315090 | P5314.22.315090 | 315 | 90 | 150 | 79 | 420 | 267 | 4-6 Weeks |
| P5316.22.315110 | P5314.22.315110 | 315 | 110 | 150 | 82 | 440 | 265 | 4-6 Weeks |
| P5316.22.315125 | P5314.22.315125 | 315 | 125 | 150 | 87 | 455 | 275 | 4-6 Weeks |
| P5316.22.315160 | P5314.22.315160 | 315 | 160 | 150 | 98 | 507 | 278 | 4-6 Weeks |
| P5316.22.315180 | P5314.22.315180 | 315 | 180 | 150 | 105 | 510 | 292 | 4-6 Weeks |
| P5316.22.315200 | P5314.22.315200 | 315 | 200 | 150 | 112 | 540 | 292 | 4-6 Weeks |
| P5316.22.315225 | P5314.22.315225 | 315 | 225 | 150 | 120 | 560 | 305 | 4-6 Weeks |
| P5316.22.315250 | P5314.22.315250 | 315 | 250 | 150 | 130 | 580 | 317 | 4-6 Weeks |
