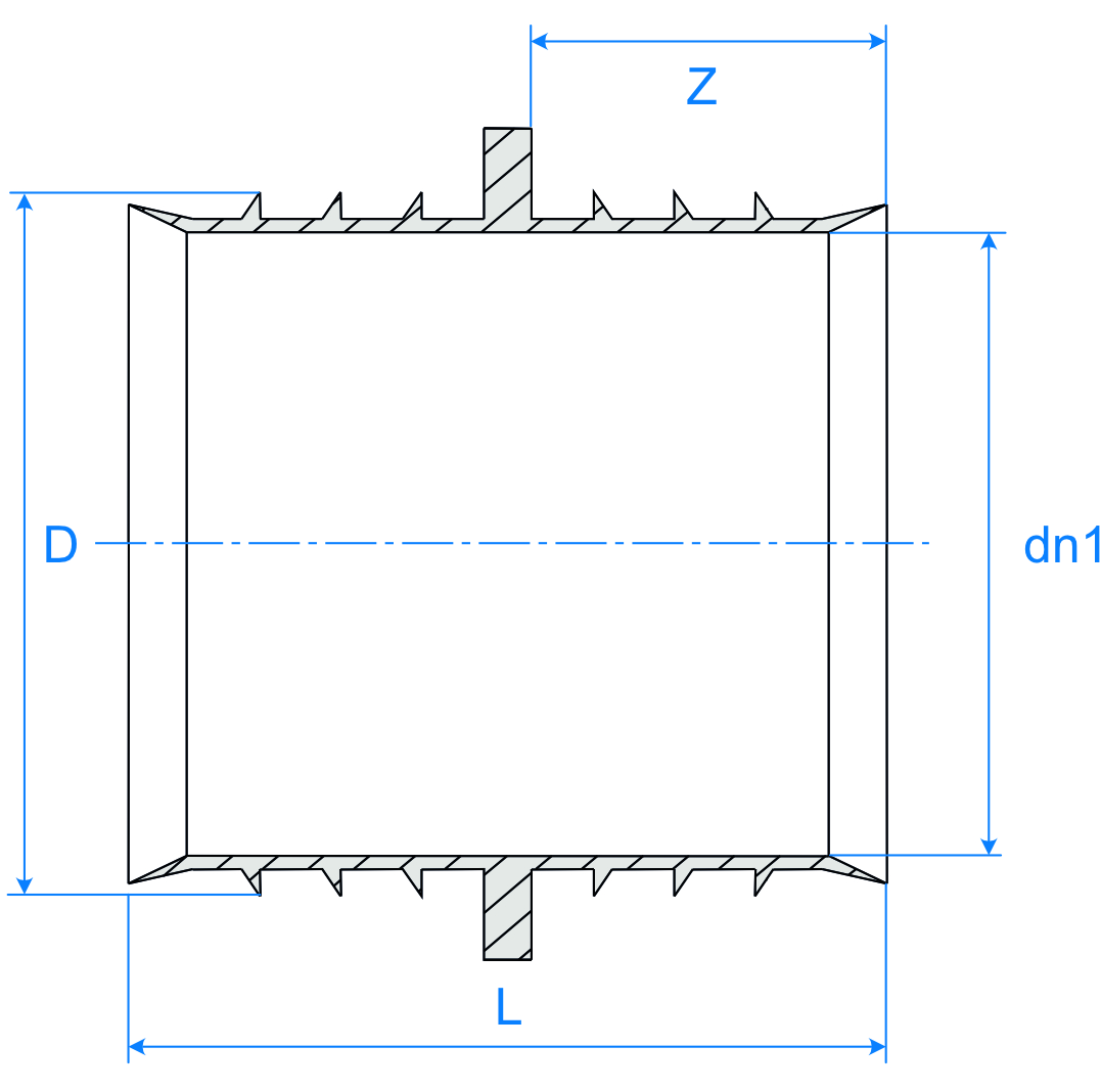
Home Wastewater Pressure Repair Products Repair Sleeve Repair Sleeve Friatec Repair Sleeve / RW Product Code dn1 D d L Z Availability in Hong Kong P3316.201.063 63 52.5 45.9 47 22 8-12 Weeks