Black Flange Assemblies
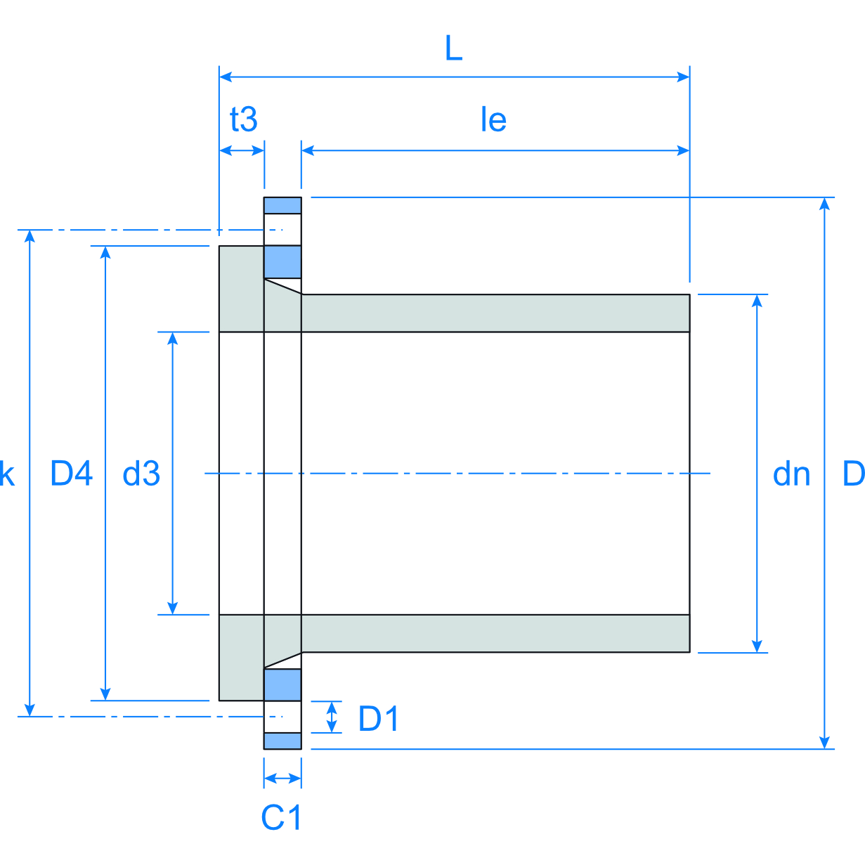
Flange Assembly / Standard / Spigot / PN16 / SDR9
DESIGNED FOR ABOVE GROUND INSTALLATION WHERE THERMAL DE-RATION IS REQUIRED
This assembly comprises of a standard flange adaptor complying to ISO 9624 rated for PN20 SDR9, complete with a PN16 rated backing flange (flanges do not require de-ration).
This PN20 SDR9 flange assembly is designed for above-ground installation where the pipe is exposed to sunlight. The fittings pressure rating is increased from PN16 to PN20 (SDR11 to SDR 9) to accommodate thermal de-ration required in BS EN 12201-1 Annex A, Table A.1. and WSD PS Appendix, Table 22.09-3.
Machined from PE100+ black hollow bar, with an extra-long spigot to allow fastener removal once fused in place. Supplied with an FBE coated loose steel backing flange, complying to EN 1092-1 PN16 and coated in accordance with WIS 4-52-01. Fasteners and gaskets are not included with this flange assembly.
NOTE: This SDR9 flange assembly complete with a loose backing flange is drilled and rated for a maximum operating pressure of PN16 only.
| This product is designed for above-ground PN16 applications that require PN20 fittings for the purpose of thermal de-ration but still connect using standard flanges drilled PN16. | |||||||||||||
| AoR dimensions are available on request, please contact us. | |||||||||||||
|
Full Face Straight Flange Adaptor Black PN16 SDR9 |
Loose Backing Ring EN1092 PN16 |
||||||||||||
|
Product Code |
dn x DN |
dn |
D4 |
d3 |
le |
t3 |
L |
DN |
D |
k |
C1 |
D1 |
No. of Holes |
|
P5317.J6.090080 |
90 x 80 |
90 |
AoR |
69 |
AoR |
AoR |
127 |
80 |
AoR |
160 |
AoR |
18 |
8 |
|
P5317.J6.125100 |
125 x 100 |
125 |
AoR |
96 |
AoR |
AoR |
152 |
100 |
AoR |
180 |
AoR |
18 |
8 |
|
P5317.J6.180150 |
180 x 150 |
180 |
AoR |
138 |
AoR |
AoR |
184 |
150 |
AoR |
240 |
AoR |
22 |
8 |
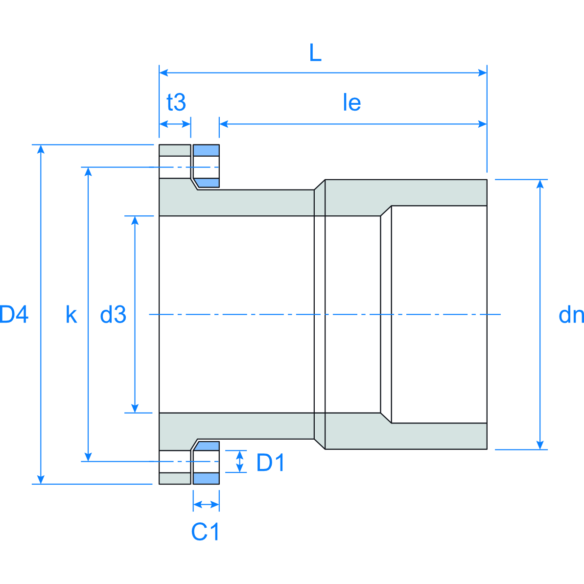
Flange Assembly / Full Face Straight / Spigot / PN16 / SDR9
DESIGNED FOR ABOVE GROUND INSTALLATION WHERE THERMAL DE-RATION IS REQUIRED
Full face flange adaptor drilled to EN 1092-1 PN16. Injection moulded in PE100 RC or machined from PE100+ black hollow bar with an extra-long spigot to allow fastener removal once fused in place. Supplied with a matching FBE coated loose steel backing flange, complying to EN 1092-1 PN16 and coated in accordance with WIS 4-52-01. The flanges DN matches the pipes nominal size (d3). Fasteners and gaskets are not included with this flange assembly.
These assemblies are designed to connect PE pipes to DI Valves and other fittings by flange joint, without creating a significant internal step. Below you can see the flanges nominal dimension (DN) approximately matches the pipes nominal ID (d3) when using full-face flanges, this is not the case when using a standard flange in these sizes.
This flange adaptor is not rotatable once fused to the pipe. Flange adaptor bolt holes should be aligned with the valve flange bolt holes before fusing to the pipe, to ensure the valves axis is vertical after fixing.
NOTE: This SDR9 flange assembly complete with a loose backing flange is drilled and rated for PN16 only.
| This product is designed for above-ground PN16 applications that require PN20 fittings for the purpose of thermal de-ration but still connect using standard flanges drilled PN16. | |||||||||||||
| Click here to understand why Full Face flange adaptors are required. | |||||||||||||
| AoR dimensions are available on request, please contact us. | |||||||||||||
|
Full Face Straight Flange Adaptor Black PN16 SDR9 |
Loose Backing Ring EN1092 PN16 |
||||||||||||
|
Product Code |
dn x DN |
dn |
D4 |
d3 |
le |
t3 |
L |
DN |
D |
k |
C1 |
D1 |
No. of Holes |
|
P5317.FG.250200 |
250 x 200 |
250 |
AoR |
192 |
AoR |
AoR |
325 |
200 |
AoR |
295 |
AoR |
22 |
12 |
|
P5317.FG.315250 |
315 x 250 |
315 |
AoR |
242 |
AoR |
AoR |
360 |
250 |
AoR |
355 |
AoR |
26 |
12 |
|
P5317.FG.355300 |
355 x 300 |
355 |
AoR |
272 |
AoR |
AoR |
395 |
300 |
AoR |
410 |
AoR |
26 |
12 |
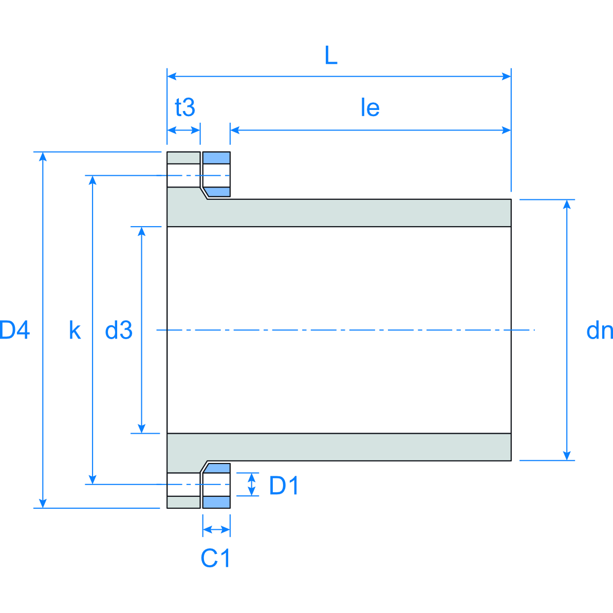
Flange Assembly / Full Face Stepped / Spigot / PN16 / SDR9
DESIGNED FOR ABOVE GROUND INSTALLATION WHERE THERMAL DE-RATION IS REQUIRED
Full face stepped flange adaptors are designed to connect PE pipes to DI valves and other fittings in large sizes whilst maintaining the same nominal pipe bore and flange bolting PCD between the PE and DI. This cannot be achieved using a Standard PE flange adaptor.
Typically in larger sizes (450 OD PE connecting to DN350 DI) the step is so large that the fasteners through the connecting flange foul on the pipe OD. The Mill-Pro design lengthens the spigot and creates a reduced OD area behind the flange face to provide for fastener clearance. Regardless of the design, all stepped flange adaptors must maintain the same SDR rating as the connecting pipe, throughout the entire spigot length, to ensure the full pressure rating is maintained.
Full face flange adaptors are machined from PE100+ black hollow bar. Supplied complete with a rotatable but non-removable, FBE coated, loose steel backing flange, complying to EN 1092-1 PN16. Steel flanges are coated in accordance with WIS 4-52-01. Fasteners and gaskets are not included.
NOTE: The PE flange adaptor is not rotatable once fused to the pipe. Flange adaptor bolt holes should be aligned with the valve flange bolt holes before fusing to the pipe, to ensure the valves axis is vertical after fixing.
NOTE: This SDR9 flange assembly complete with a loose backing flange is drilled and rated for PN16 only.
| Click here to understand why Full Face flange adaptors are required. | |||||||||||||
| AoR dimensions are available on request, please contact us. | |||||||||||||
|
Full Face Stepped Flange Adaptor Black PN16 SDR9 |
Loose Backing Flange EN1092 PN16 |
||||||||||||
|
Product Code |
dn x DN |
dn |
D4 |
d3 |
le |
t3 |
L |
DN |
D |
k |
C1 |
D1 |
No. of Holes |
|
P5317.EG.450350 |
450 x 350 |
450 |
AoR |
319 |
AoR |
AoR |
450 |
350 |
AoR |
470 |
AoR |
26 |
16 |
|
P5317.EG.500400 |
500 x 400 |
500 |
AoR |
356 |
AoR |
AoR |
500 |
400 |
AoR |
525 |
AoR |
30 |
16 |
|
P5317.EG.560450 |
560 x 450 |
560 |
AoR |
401 |
AoR |
AoR |
550 |
450 |
AoR |
585 |
AoR |
30 |
20 |
|
P5317.EG.630500 |
630 x 500 |
630 |
AoR |
448 |
AoR |
AoR |
600 |
500 |
AoR |
650 |
AoR |
33 |
20 |
|
P5317.EG.710600 |
710 x 600 |
710 |
AoR |
536 |
AoR |
AoR |
670 |
600 |
AoR |
770 |
AoR |
36 |
20 |
|
P5317.EG.800700 |
800 x 700 |
800 |
AoR |
593 |
AoR |
AoR |
750 |
700 |
AoR |
840 |
AoR |
36 |
24 |
Flange Assembly / Full Face Straight / Spigot / PN16 / SDR11
Full face flange adaptor drilled to EN 1092-1 PN16. Injection moulded in PE100 RC or machined from PE100+ black hollow bar with an extra-long spigot to allow fastener removal once fused in place. Supplied with a matching FBE coated loose steel backing flange, complying to EN 1092-1 PN16 and coated in accordance with WIS 4-52-01. The flanges DN matches the pipes nominal size (d3). Fasteners and gaskets are not included with this flange assembly.
These assemblies are designed to connect PE pipes to DI Valves and other fittings by flange joint, without creating a significant internal step. Below you can see the loose backing flanges nominal dimension (DN) approximately matches the pipes nominal ID (d3) when using full-face flanges. This is not the case when using a standard flange in these sizes.
NOTE: This flange adaptor is not rotatable once fused to the pipe. Flange adaptor bolt holes should be aligned with the valve flange bolt holes before fusing to the pipe, to ensure the valves axis is vertical after fixing.
| Click here to understand why Full Face flange adaptors are required. | |||||||||||||
| AoR dimensions are available on request, please contact us. | |||||||||||||
| For larger sizes use Full Face Stepped below | |||||||||||||
|
Full Face Straight Flange Adaptor Black PN16 SDR11 |
Loose Backing Ring EN1092 PN16 |
||||||||||||
|
Product Code |
dn x DN |
dn |
D4 |
d3 |
le |
t3 |
L |
DN |
D |
k |
C1 |
D1 |
No. of Holes |
|
P5316.FG.355300 |
355 x 300 |
355 |
AoR |
287 |
AoR |
AoR |
395 |
300 |
AoR |
410 |
AoR |
26 |
12 |
Flange Assembly / Full Face Stepped / Spigot / PN16 / SDR11
Full face stepped flange adaptors are designed to connect PE pipes to DI valves and other fittings in large sizes whilst maintaining the same nominal pipe bore and flange bolting PCD between the PE and DI. This cannot be achieved using a Standard PE flange adaptor.
Typically in larger sizes (450 OD PE connecting to DN350 DI) the step is so large that the fasteners through the connecting flange foul on the pipe OD. The Mill-Pro design lengthens the spigot and creates a reduced OD area behind the flange face to provide for fastener clearance. Regardless of the design, all stepped flange adaptors must maintain the same SDR rating as the connecting pipe, throughout the entire spigot length, to ensure the full pressure rating is maintained.
Full face flange adaptors are machined from PE100+ black hollow bar. Supplied complete with a rotatable but non-removable, FBE coated, loose steel backing flange, complying to EN 1092-1 PN16. Steel flanges are coated in accordance with WIS 4-52-01. Fasteners and gaskets are not included.
NOTE: The PE flange adaptor is not rotatable once fused to the pipe. Flange adaptor bolt holes should be aligned with the valve flange bolt holes before fusing to the pipe, to ensure the valves axis is vertical after fixing.
| Click here to understand why Full Face flange adaptors are required. | |||||||||||||
| AoR dimensions are available on request, please contact us. | |||||||||||||
|
Full Face Stepped Flange Adaptor Black PN16 SDR11 |
Loose Backing Flange EN1092 PN16 |
||||||||||||
|
Product Code |
dn x DN |
dn |
D4 |
d3 |
le |
t3 |
L |
DN |
D |
k |
C1 |
D1 |
No. of Holes |
|
P5316.EG.450350 |
450 x 350 |
450 |
AoR |
334 |
AoR |
AoR |
450 |
350 |
AoR |
470 |
AoR |
26 |
16 |
|
P5316.EG.500400 |
500 x 400 |
500 |
AoR |
374 |
AoR |
AoR |
500 |
400 |
AoR |
525 |
AoR |
30 |
16 |
|
P5316.EG.560450 |
560 x 450 |
560 |
AoR |
422 |
AoR |
AoR |
550 |
450 |
AoR |
585 |
AoR |
30 |
20 |
|
P5316.EG.630500 |
630 x 500 |
630 |
AoR |
470 |
AoR |
AoR |
600 |
500 |
AoR |
650 |
AoR |
33 |
20 |
|
P5316.EG.710600 |
710 x 600 |
710 |
AoR |
564 |
AoR |
AoR |
670 |
600 |
AoR |
770 |
AoR |
36 |
20 |
|
P5316.EG.800700 |
800 x 700 |
800 |
AoR |
623 |
AoR |
AoR |
750 |
700 |
AoR |
840 |
AoR |
36 |
24 |
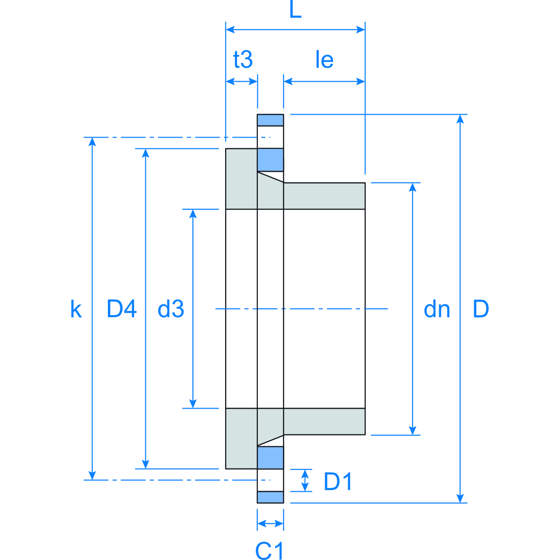
Flange Assembly / Standard / Spigot / PN16 / SDR11
Standard flange adaptor complying to ISO 9624 in SDR 11 rated for PN16. Machined from PE100+ black hollow bar, with an extra-long spigot to allow fastener removal once fused in place. Supplied with an FBE coated loose steel backing flange, complying to EN 1092-1 PN16 and coated in accordance with WIS 4-52-01. Fasteners and gaskets are not included with this flange assembly.
The sizes given below are suitable for connecting PE pipe to PE pipe via flanged joints, however, flanged connections to other materials, (such as DI valves and fittings) will create an undesirable internal step at the interface between the PE and DI flanges.
Example: In the table below 710 x 700, the PE pipe & flange adaptor ID (d3) is 574mm (effectively DN600) and the loose steel backing flange bolts to a DN700 DI flange. This combination creates a 63mm internal step on each side of the joint. This joint also requires a larger DN700 valve or fitting to be used in a DN600 pipeline, adding unnecessary cost. The alternate is a full-face flange assembly from the table above where the PE can bolt directly to a DN600 DI valve or fitting, to avoid such internal steps.
NOTE: A standard SDR 11 flange Adaptor has an ID given below in d3. This ID (d3) does not match the loose backing flanges Nominal Diameter (DN). A significant internal step is created between the PE flange adaptors nominal ID and the connecting DI valve or fittings nominal ID. Refer to the illustration below.
| WSD PS requires Full Face Flange assemblies to be used on sizes > DN150 to DN700. | |||||||||||||
| AoR dimensions are available on request, please contact us. | |||||||||||||
|
Standard Flange Adaptor Black PN16 SDR11 |
Loose Backing Ring EN1092 PN16 |
||||||||||||
|
Product Code |
dn x DN |
dn |
D4 |
d3 |
le |
t3 |
L |
DN |
D |
k |
C1 |
D1 |
No. of Holes |
|
P5316.J6.355350 |
355 x 350 |
355 |
AoR |
287 |
AoR |
AoR |
260 |
350 |
AoR |
470 |
AoR |
26 |
16 |
|
P5316.J6.450450 |
450 x 450 |
450 |
AoR |
364 |
AoR |
AoR |
370 |
450 |
AoR |
585 |
AoR |
30 |
20 |
|
P5316.J6.500500 |
500 x 500 |
500 |
AoR |
405 |
AoR |
AoR |
400 |
500 |
AoR |
650 |
AoR |
33 |
20 |
|
P5316.J6.560600 |
560 x 600 |
560 |
AoR |
453 |
AoR |
AoR |
435 |
600 |
AoR |
770 |
AoR |
36 |
20 |
|
P5316.J6.630600 |
630 x 600 |
630 |
AoR |
510 |
AoR |
AoR |
435 |
600 |
AoR |
770 |
AoR |
36 |
20 |
|
P5316.J6.710700 |
710 x 700 |
710 |
AoR |
574 |
AoR |
AoR |
440 |
700 |
AoR |
840 |
AoR |
36 |
24 |
|
P5316.J6.800800 |
800 x 800 |
800 |
AoR |
647 |
AoR |
AoR |
445 |
800 |
AoR |
950 |
AoR |
39 |
24 |
Flange Assembly / Standard / Spigot / PN20 / SDR9
As above for a standard flange assembly, but rated for SDR9 PN20 pressure applications. Note the flange is rated PN25, no PN20 rating tables are provided in BS EN 1092-1.
NOTE: A standard SDR 11 flange Adaptor has an ID given below in d3. This ID (d3) does not match the loose backing flanges Nominal Diameter (DN). A significant internal step is created between the PE flange adaptors nominal ID and the connecting DI valve or fittings nominal ID. Refer to the illustration below.
| EN1092 does not have tables for PN20 flange pattern, so a PN25 flange pattern is used. | |||||||||||||
| dn800 is the largest sizes pipe in SDR9 rated pipe. | |||||||||||||
| Full Face designs that meet WSD PS available on request. | |||||||||||||
| AoR dimensions are available on request, please contact us. | |||||||||||||
|
Standard Flange Adaptor Black PN20 SDR9 |
Loose Backing Ring EN1092 PN25 |
||||||||||||
|
Product Code |
dn x DN |
dn |
D4 |
d3 |
le |
t3 |
L |
DN |
D |
k |
C1 |
D1 |
No. of Holes |
|
P5317.J8.090080 |
90 x 80 |
90 |
AoR |
69 |
AoR |
AoR |
127 |
80 |
AoR |
160 |
AoR |
18 |
8 |
|
P5317.J8.125100 |
125 x 100 |
125 |
AoR |
96 |
AoR |
AoR |
152 |
100 |
AoR |
190 |
AoR |
22 |
8 |
|
P5317.J8.180150 |
180 x 150 |
180 |
AoR |
138 |
AoR |
AoR |
184 |
150 |
AoR |
250 |
AoR |
26 |
8 |
|
P5317.J8.250250 |
250 x 250 |
250 |
AoR |
192 |
AoR |
AoR |
200 |
250 |
AoR |
370 |
AoR |
30 |
12 |
|
P5317.J8.315300 |
315 x 300 |
315 |
AoR |
242 |
AoR |
AoR |
278 |
300 |
AoR |
430 |
AoR |
30 |
16 |
|
P5317.J8.355350 |
355 x 350 |
355 |
AoR |
272 |
AoR |
AoR |
280 |
350 |
AoR |
490 |
AoR |
33 |
16 |
|
P5317.J8.450450 |
450 x 450 |
450 |
AoR |
345 |
AoR |
AoR |
395 |
450 |
AoR |
600 |
AoR |
36 |
20 |
|
P5317.J8.500500 |
500 x 500 |
500 |
AoR |
383 |
AoR |
AoR |
425 |
500 |
AoR |
660 |
AoR |
36 |
20 |
|
P5317.J8.560600 |
560 x 600 |
560 |
AoR |
429 |
AoR |
AoR |
460 |
600 |
AoR |
770 |
AoR |
39 |
20 |
|
P5317.J8.630600 |
630 x 600 |
630 |
AoR |
483 |
AoR |
AoR |
465 |
600 |
AoR |
770 |
AoR |
39 |
20 |
|
P5317.J8.710700 |
710 x 700 |
710 |
AoR |
544 |
AoR | AoR | 460 | 700 | AoR | 875 | AoR | 42 | 24 |
|
P5317.J8.800800 |
800 x 800 |
800 |
AoR |
613 |
AoR | AoR | 475 | 800 | AoR | 990 | AoR | 48 | 24 |
Flange Assembly / Standard / Spigot / PN10 / SDR17
NOTE: This flange assembly is SDR17 so rated for PN10, however, the loose backing flange is drilled PN16. PN10 drilled backing flanges for these assemblies are available on request.
As above for a standard flange assembly, but rated for SDR17 PN10 pressure applications. Note the flange is rated PN16 to match typical connections in Hong Kong
NOTE: A standard SDR 17 flange Adaptor has an ID given below in d3. This ID (d3) does not match the loose backing flanges Nominal Diameter (DN). A significant internal step is created between the PE flange adaptors nominal ID and the connecting DI valve or fittings nominal ID. Refer to the illustration below.
| Larger sizes up to DN1600 are available in PN10 SDR17 rating, dimensions on request. | |||||||||||||
| AoR dimensions are available on request, please contact us. | |||||||||||||
|
Standard Flange Adaptor Black PN10 SDR17 |
Loose Backing Flange EN1092 PN16 |
||||||||||||
|
Product Code |
dn x DN |
dn |
D4 |
d3 |
le |
t3 |
L |
DN |
D |
k |
C1 |
D1 |
No. of Holes |
|
P5314.J6.630600 |
630 x 600 |
630 |
AoR |
552 |
AoR |
AoR |
425 |
600 |
AoR |
770 |
AoR |
36 |
20 |
|
P5314.J6.710700 |
710 x 700 |
710 |
AoR |
622 |
AoR |
AoR |
430 |
700 |
AoR |
840 |
AoR |
36 |
24 |
|
P5314.J6.800800 |
800 x 800 |
800 |
AoR |
701 |
AoR |
AoR |
435 |
800 |
AoR |
950 |
AoR |
39 |
24 |
|
P5314.J6.900900 |
900 x 900 |
900 |
AoR |
788 |
AoR |
AoR |
485 |
900 |
AoR |
1050 |
AoR |
39 |
28 |
|
P5314.J6.10001000 |
1000 x 1000 |
1000 |
AoR |
876 |
AoR |
AoR |
485 |
1000 |
AoR |
1170 |
AoR |
42 |
28 |
|
P5314.J6.12001200 |
1200 x 1200 |
1200 |
AoR |
1051 |
AoR |
AoR |
525 |
1200 |
AoR |
1390 |
AoR |
48 |
32 |
Flange Assembly / Standard / Butt Fusion / PN16 / SDR11
As above, this assembly rated for PN 16. Butt Fusion length, NOT suitable for electrofusion jointing.
NOTE: A standard SDR 11 flange Adaptor has an ID given below in d3. This ID (d3) does not match the loose backing flanges Nominal Diameter (DN). A significant internal step is created between the PE flange adaptors nominal ID and the connecting DI valve or fittings nominal ID. Refer to the illustration below.
| Sizes, dn630 and dn710 do not comply with the requirements in WSD PS, Black full face flange assemblies are required in these sizes, however, sizes ≥ dn800 are fully compliant. | |||||||||||||
| All standard PE flange adaptors of any size are suitable for PE to PE pipe joints without creating an internal step. | |||||||||||||
| AoR dimensions are available on request, please contact us. | |||||||||||||
|
Standard Flange Adaptor BW Black PN16 SDR11 |
Loose Backing Ring EN1092 PN16 |
||||||||||||
|
Product Code |
dn x DN |
dn |
D4 |
d3 |
le |
t3 |
L |
DN |
D |
k |
C1 |
D1 |
No. of Holes |
|
P2316.J6.630600 |
630 x 600 |
630 |
AoR |
510 |
25 |
AoR |
120 |
600 |
AoR |
770 |
AoR |
36 |
20 |
|
P2316.J6.710700 |
710 x 700 |
710 |
AoR |
574 |
20 |
AoR |
120 |
700 |
AoR |
840 |
AoR |
36 |
24 |
|
P2316.J6.800800 |
800 x 800 |
800 |
AoR |
647 |
20 |
AoR |
140 |
800 |
AoR |
950 |
AoR |
39 |
24 |
|
P2316.J6.900900 |
900 x 900 |
900 |
AoR |
728 |
25 |
AoR |
160 |
900 |
AoR |
1050 |
AoR |
39 |
28 |
|
P2316.J6.10001000 |
1000 x 1000 |
1000 |
AoR |
809 |
25 |
AoR |
170 |
1000 |
AoR |
1170 |
AoR |
42 |
28 |
Flange Assembly / Standard / Butt Fusion / PN10 / SDR17
NOTE: This flange adaptor is SDR17 so rated for PN10, however, the loose backing flange is drilled PN16. PN10 drilled backing rings for these assemblies are available on request.
As above, rated for PN 10, drilled for PN16 flange. Butt Fusion length, NOT suitable for electrofusion jointing.
NOTE: A standard SDR 11 flange Adaptor has an ID given below in d3. This ID (d3) does not match the loose backing flanges Nominal Diameter (DN). A significant internal step is created between the PE flange adaptors nominal ID and the connecting DI valve or fittings nominal ID. Refer to the illustration below.
| AoR dimensions are available on request, please contact us. | |||||||||||||
|
Standard Flange Adaptor BF Black PN10 SDR11 |
Loose Backing Ring EN1092 PN16 |
||||||||||||
|
Product Code |
dn x DN |
dn |
D4 |
d3 |
le |
t3 |
L |
DN |
D |
k |
C1 |
D1 |
No. of Holes |
|
P2314.J6.630600 |
630 x 600 |
630 |
AoR |
552 |
25 |
AoR |
120 |
600 |
AoR |
770 |
AoR |
36 |
20 |
|
P2314.J6.710700 |
710 x 700 |
710 |
AoR |
622 |
20 |
AoR |
120 |
700 |
AoR |
840 |
AoR |
36 |
24 |
|
P2314.J6.800800 |
800 x 800 |
800 |
AoR |
701 |
20 |
AoR |
130 |
800 |
AoR |
950 |
AoR |
39 |
24 |
|
P2314.J6.900900 |
900 x 900 |
900 |
AoR |
789 |
25 |
AoR |
145 |
900 |
AoR |
1050 |
AoR |
39 |
28 |
|
P2314.J6.10001000 |
1000 x 1000 |
1000 |
AoR |
876 |
25 |
AoR |
135 |
1000 |
AoR |
1170 |
AoR |
42 |
28 |
|
P2314.J6.12001200 |
1200 x 1200 |
1200 |
AoR |
1052 |
25 |
AoR |
150 |
1200 |
AoR |
1390 |
AoR |
48 |
32 |
