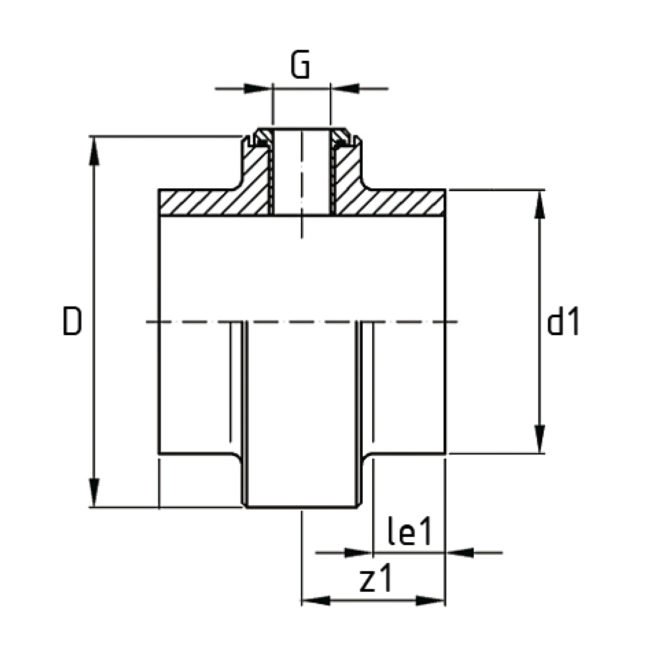
Instrument offtakes
These fabricated threaded tees are machined from PE100+ hollow bar and enable measuring instruments such as transducers, turbidity monitors, pressure gauges & switches to be connected directly to the pipeline via an integrated pipe threaded offtake. The fittings compact design means the threaded connection can be situated directly in media flow if required, this reduces space required and installation costs by avoiding large Tees and reducers or saddles in pumping rooms.
Two versions are available, one with a copper alloy embedded BSP thread or complete with a BSP union to allow the instrument to be removed without unscrewing the instrument directly where cables are attached.
Most combinations of both mainway pipe in long spigot for electrofusion or more commonly butt fusion spigots for assembly to other fittings. Various threaded outlet sizes from BSP 1/2" to 2" (DN50) are available to order.
| d1 | G | le1 | z1 | D | Kg |
| 63 | 1/2" BSP | 30 | 60 | 110 | 0.4 |
| 90 | 1/2" BSP | 30 | 60 | 140 | 0.6 |
| 125 | 1/2" BSP | 30 | 60 | 170 | 0.8 |
| 180 | 1/2" BSP | 30 | 60 | 210 | 1.1 |
| 250 | 3/4" BSP | 30 | 75 | 285 | 2.6 |
| 315 | 3/4" BSP | 30 | 75 | 360 | 4.2 |
